| Fluid | Air | |
| Operating pressure | Double acting | 0.1 to 0.6 MPa |
| Single acting | 0.25 to 0.6MPa | |
| Ambient and fluid temperature | -10 to 60°℃ | |
| Repeatability | ±0.01mm | |
| Max. operating frequency | 180 c.p.m | |
| Lubrication | Not required | |
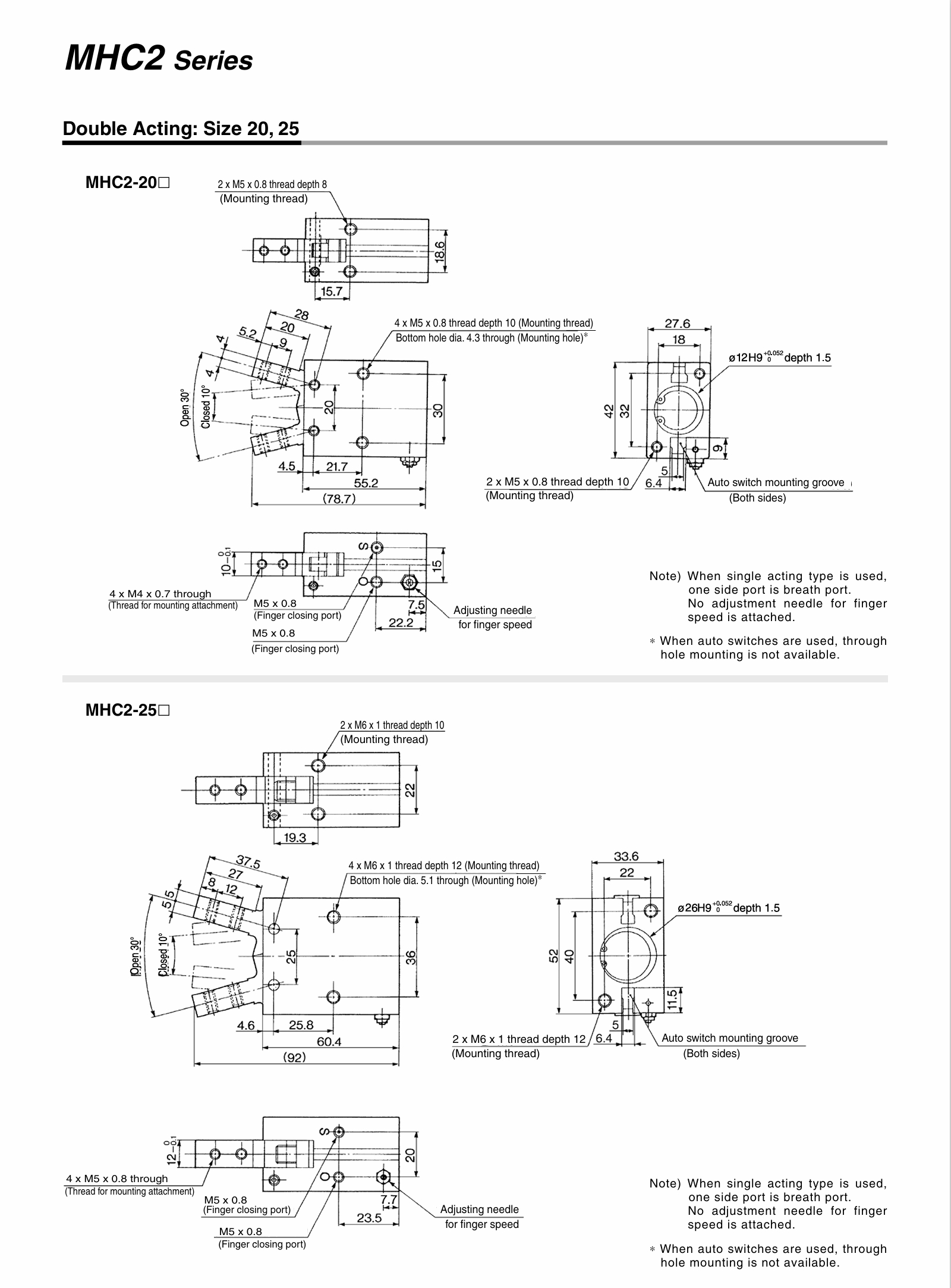
| Action | Double acting,Single acting | |
| Auto switch (Option) Note) | Solid state auto switch(3-wire,2-wire) | |
